탈착 전해 시스템이란 무엇이며 현대 금 추출에 필수적인 이유는 무엇입니까?

2026-04-21 - 나에게 메시지를 남겨주세요

그만큼탈착 전해 시스템현대 금 추출, 특히 CIP(Carbon-in-Pulp) 및 CIL(Carbon-In-Leach) 공정에서 중요한 기술입니다. 이 블로그에서는 시스템 작동 방식, 구성 요소, 장점 및 효율적인 금 회수의 표준이 된 이유를 살펴봅니다. 우리는 또한 기업이 좋아하는 방식을 강조합니다.서사시이 분야의 혁신을 주도하고 있습니다. 결국 귀하는 이 시스템이 어떻게 생산성을 향상시키고, 비용을 절감하며, 복구율을 향상시키는지 포괄적으로 이해하게 될 것입니다.

Desorption Electrolytic System

목차


탈착 전해 시스템이란?

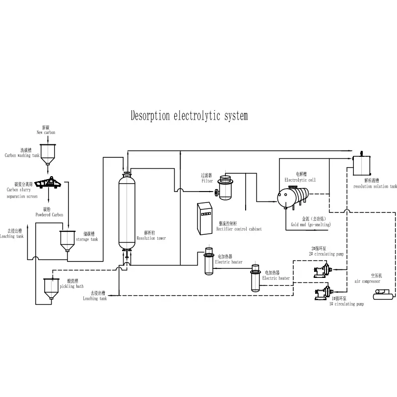
A 탈착 전해 시스템활성탄에서 금을 추출하는 데 사용되는 고급 금 회수 시스템입니다. 이는 침출 과정에서 금이 탄소 입자에 흡수되는 광산 작업에 널리 적용됩니다.

  • 탈착: 고온, 고압 용액을 사용하여 탄소에서 금을 제거합니다.
  • 전기분해: 용액의 금을 음극으로 회수합니다.
  • 폐쇄 루프 시스템: 효율성을 보장하고 손실을 최소화합니다.

이 시스템은 회수 효율성을 높이고 운영 비용을 절감하는 데 필수적이며 현대 금 가공 공장의 핵심 구성 요소입니다.


탈착 전해 시스템은 어떻게 작동합니까?

A의 작동 원리탈착 전해 시스템두 가지 주요 단계가 포함됩니다.

  1. 탈착 단계:금이 함유된 탄소는 뜨거운 알칼리성 시안화물 용액으로 처리되어 금 이온을 방출합니다.
  2. 전기분해 단계:금이 풍부한 용액은 금이 스틸울 음극에 침전되는 전해조를 통과합니다.

이 프로세스는 높은 효율성을 보장하고 지속적인 운영을 가능하게 합니다. 이것이 바로 다음과 같은 회사의 시스템이 이유입니다.서사시산업 응용 분야에서 널리 채택됩니다.


시스템의 주요 구성 요소

요소 기능
탈착탑 활성탄을 보유하고 금 제거를 촉진합니다.
전해조 전기분해를 통해 금을 회수
열교환기 필요한 온도를 유지합니다
필터 시스템 용액에서 불순물을 제거합니다.
제어 시스템 작업 자동화 및 매개변수 모니터링

각 구성 요소는 시스템이 효율적이고 일관되게 작동하도록 하는 데 중요한 역할을 합니다.


기술적 장점 및 특징

  • 높은 금 회수율(최대 98%)
  • 낮은 에너지 소비
  • 인건비 절감을 위한 자동화 운영
  • 공간 효율성을 위한 컴팩트한 디자인
  • 최소한의 배출로 환경 친화적

제조업체는 다음과 같습니다.서사시진화하는 업계 요구 사항을 충족하기 위해 이러한 시스템을 지속적으로 최적화하여 더 나은 성능과 안정성을 보장합니다.


금 가공 분야의 응용

그만큼탈착 전해 시스템널리 사용됩니다:

  • 금 채굴 공장
  • CIP(Carbon-in-Pulp) 작업
  • CIL(Carbon-in-Leach) 공정
  • 금 광미 회수

다재다능함으로 인해 대규모 산업 채굴과 효율성 향상을 추구하는 소규모 작업 모두에 적합합니다.


기존 방법과의 비교

특징 탈착 전해 시스템 전통적인 방법
능률 높은 보통의
오토메이션 완전 자동화 수동 또는 반자동
비용 장기 비용 절감 높은 운영 비용
환경에 미치는 영향 낮은 더 높은

분명히 현대 시스템은 전통적인 금 회수 기술에 비해 상당한 이점을 제공합니다.


구매자를 위한 선택 가이드

선택할 때탈착 전해 시스템, 다음 요소를 고려하십시오.

  • 처리능력
  • 자동화 수준
  • 에너지 효율성
  • 제조업체 평판(예: EPIC)
  • 판매 후 지원

올바른 시스템을 선택하면 장기적인 운영 성공과 투자 수익 극대화가 보장됩니다.


유지 관리 및 운영 팁

  • 파이프라인과 밸브를 정기적으로 검사하세요.
  • 온도 및 압력 수준 모니터링
  • 주기적으로 전해조를 청소하십시오.
  • 마모된 부품을 즉시 교체하십시오.
  • 제조업체 지침을 엄격히 따르십시오.

적절한 유지 관리는 시스템의 수명을 크게 연장하고 일관된 성능을 보장합니다.


FAQ

1. 탈착 전해 시스템의 주요 목적은 무엇입니까?

주요 목적은 활성탄에서 금을 효율적으로 추출하고 회수하는 것입니다.

2. 시스템은 얼마나 효율적인가요?

대부분의 시스템은 작동 조건에 따라 95% 이상의 금 회수율을 달성합니다.

3. 시스템이 환경친화적인가?

예, 현대 시스템은 배출을 최소화하고 화학 폐기물을 줄이도록 설계되었습니다.

4. 맞춤 설정할 수 있나요?

예, EPIC과 같은 회사는 처리 요구 사항에 따라 맞춤형 솔루션을 제공합니다.

5. 이 시스템을 사용하는 산업은 무엇입니까?

주로 금 채굴 산업이지만 귀금속 회수 응용 분야에도 사용됩니다.


결론

그만큼탈착 전해 시스템비교할 수 없는 효율성, 신뢰성 및 환경 성능을 제공하는 획기적인 금 회수 기술을 나타냅니다. 다음과 같은 업계 리더들의 지속적인 발전으로서사시, 이 시스템은 현대 광산 작업에 점점 더 중요해지고 있습니다. 금 추출 프로세스를 최적화하고 수익성을 향상시키려는 경우 고품질 시스템에 투자하는 것이 현명한 선택입니다.문의하기오늘 우리가 귀하의 요구에 맞는 맞춤형 솔루션을 제공할 수 있는 방법에 대해 자세히 알아보십시오.

문의 보내기

X
당사는 귀하에게 더 나은 탐색 경험을 제공하고, 사이트 트래픽을 분석하고, 콘텐츠를 개인화하기 위해 쿠키를 사용합니다. 이 사이트를 이용함으로써 귀하는 당사의 쿠키 사용에 동의하게 됩니다. 개인 정보 보호 정책